| штат: | |
|---|---|
| Количество: | |
Технические характеристики
Примечание. Крепление крепежа к стойке на схеме не представлено.

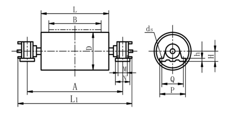
B | D | A | L | Л₁ | Q | P | H | h | M | N | дс | Модель | Вес (кг) | Номер чертежа. |
500 | 320 | 800 | 600 | 902 | 260 | 320 | 90 | 33 | 70 | 一 | 22 | 1310 | 93 | ТД1Б1 |
400 | 104 | ТД1Б2 | ||||||||||||
650 | 320 | 960 | 750 | 1062 | 260 | 320 | 90 | 33 | 70 | 一 | 22 | 1310 | 104 | ТД2Б1 |
400 | 280 | 340 | 100 | 27 | 1312 | 132 | ТД2Б2 | |||||||
500 | 155 | ТД2Б3 | ||||||||||||
800 | 320 | 1180 | 950 | 1282 | 280 | 340 | 100 | 33 | 70 | — | 27 | 1312 | 134 | ТД3Б1 |
400 | 1292 | 350 | 410 | 120 | 90 | 1316 | 211 | ТД3Б2 | ||||||
| 500 | 237 | ТД3Б3 | ||||||||||||
| 630 | 268 | ТД3Б4 |
1000 | 400 | 1410 | 1150 | 1512 | 280 | 340 | 100 | 33 | 70 | — | 27 | 1312 | 191 | ТД4Б2 |
500 | 1522 | 350 | 410 | 120 | 90 | 1316 | 319 | ТД4Б3 | ||||||
630 | 367 | ТД4Б4 | ||||||||||||
800 | 444 | ТД4Б5 | ||||||||||||
1200 | 400 | 1660 | 1400 | 1762 | 280 | 340 | 100 | 33 | 70 | — | 27 | 1312 | 235 | ТД5Б2 |
500 | 1790 | 380 | 460 | 140 | 130 | 80 | 3520 | 418 | ТД5Б3 | |||||
630 | 473 | ТД5Б4 | ||||||||||||
800 | 559 | ТД5Б5 | ||||||||||||
1000 | 659 | ТД5Б6 | ||||||||||||
1400 | 400 | 1860 | 1600 | 1962 | 280 | 340 | 100 | 33 | 70 | — | 27 | 1312 | 259 | ТД6Б2 |
500 | 1990 | 380 | 460 | 140 | 130 | 80 | 3520 | 454 | ТД6Б3 | |||||
630 | 514 | ТД6Б4 | ||||||||||||
800 | 606 | ТД6Б5 | ||||||||||||
1000 | 792 | ТД6Б6 | ||||||||||||
1250 | 995 | ТД6Б7 |
Преимущества 3D Dynamic
(1) Демонстрации
«Улучшенная визуализация»:
динамические 3D-модели обеспечивают реалистичное интерактивное представление сложных структур, позволяя заинтересованным сторонам исследовать каждый угол и детали.
(2) Улучшение коммуникации
Путем моделирования реальных сценариев эти демонстрации устраняют разрыв между техническими командами и нетехнической аудиторией, обеспечивая ясность и согласованность.
(3) Эффективность затрат и времени
Виртуальное прототипирование снижает потребность в физических макетах, сводя к минимуму материальные отходы и ускоряя процессы принятия решений.

Мы можем предоставить полную серию тяжелых роликов ленточных конвейеров.
![]() | Приводной ролик: встроенный двигатель или внешний источник энергии (например, электрический барабан с масляным охлаждением TDY75), используемый для передачи мощности на конвейерную ленту. Типичное применение: транспортировка тяжелых грузов в горнодобывающей и металлургической промышленности (например, взрывозащищенные электрические барабаны для горнодобывающей промышленности). |
![]() | Ролик изменения направления (пассивный ролик) : Конструкция без привода, используемая для изменения направления движения конвейерной ленты, часто покрытая клеем (например, полиуретановым клеем) для уменьшения трения. |
![]() | Ролик с резиновым покрытием: Поверхность покрыта резиной (натуральный каучук/полиуретан), противоскользящей и износостойкой, подходит для высоких гигиенических требований, например, в пищевой и химической промышленности. |
![]() | Ролик с керамическим покрытием: Это ключевой компонент промышленного конвейерного оборудования, основная структура которого представляет собой композитный керамический материал (например, оксид алюминия, карбид кремния) или керамическую резиновую пластину на поверхности цилиндра на металлической основе. Благодаря специальным процессам (таким как холодное склеивание и горячая вулканизация) износостойкие керамические листы внедряются в резиновый слой, образуя композитную поверхность с высокой твердостью и высоким коэффициентом трения. |
После ввода в эксплуатацию новой дробильно-ленточной конвейерной системы были достигнуты значительные результаты: производительность транспортировки составила 2000 тонн/час, что соответствует потребностям производства; Интенсивность отказов оборудования снизилась на 0,3%, а стоимость обслуживания существенно снизилась; Эффективно решить проблему
Успешно завершен проект по установке цементного силоса емкостью 500 тонн в АньхоеНедавно наша компания успешно завершила проект по установке стандартного цементного бункера на крупной базе строительных материалов в Аньхое. Проектная вместимость данного склада составляет 500 тонн, что является основным хранилищем.
Эффективное производство крупномасштабного силоса по перевалке песка и камня в АньхоеНедавно проект по перевалке силоса по переработке песка и гравия, реализованный нашей компанией в Аньхое, был официально введен в эксплуатацию. Целью проекта является создание эффективного и надежного буферного хранилища и автоматического
В ходе горнодобывающих работ первоначальный дробильный ленточный конвейер постепенно начинает проявлять признаки усталости, что приводит к низкой эффективности транспортировки и частым отказам, что серьезно ограничивает производственную мощность и влияет на экономические выгоды рудника. В связи с увеличением добычи руды необходимо срочно обновить
Этот проект был спроектирован и реализован нашей компанией, с существенными результатами: производительность транспортировки 3000 тонн/час, обеспечивающая потребности производства; Интенсивность отказов оборудования снизилась на 0,2%, а стоимость обслуживания существенно снизилась; Созданы значительные экономические и социальные выгоды